18921738678
  • CZ系列化工离心泵

CZ系列化工离心泵

可用于高层建筑、地下建筑的防排烟系统。具有效率高、噪声低、用途广,平时通风接气与火灾时消防排烟一机两用的特点。

业务咨询 18921738678

产品·展示/Product Introduction

  • 产品详情

CZ型详情_01.jpgCZ型详情_03.jpg

CZ系列标准化工泵是卧式、单级、单吸离心泵;其尺寸和性能符合DIN24256/1S02858标准。

CZ系列标准化工泵的性能范围包括了IH系列标准化工泵所有性能,其效率、汽蚀性能等指标均超过H型泵,可与H型泵进行单机互换。

用途

输送低温或高温液体;中性或有腐蚀性液体;清洁或内含有固体颗粒的液体。特别适用于:

化学和石油化学工业

造纸厂和纸浆业

涂装行业(脱脂、磷化、电泳等工序)

一、CZ型化工泵性能范围 

流量: 可达2000m3/h 

扬程: 可达160m 

工作压力: 2.5MPa 

工作温度: -80℃ ~ +300℃

特性曲线平坦,汽蚀值低,效率高,在不满负荷时,也保持这些特性。

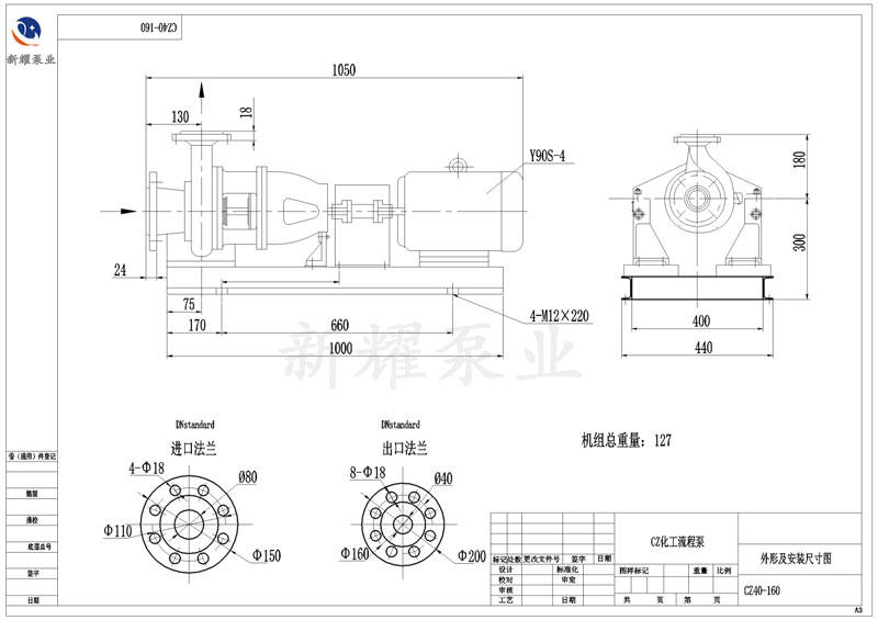
安装图

2.jpg

工作簿1_A1K129.png

热品推荐 / hot product
FY系列液下泵

FY系列液下泵

FY型耐腐蚀立式液下泵是一种单级单吸长轴式液下离心泵,其标记、额定性能点和法兰连接尺寸等效采用IS02858标准、技术条件采用IS05199标准。
WFB型立式自吸泵

WFB型立式自吸泵

WFB系列无密封自控自吸泵采用“连环式”多面离心密封装置,无“跑、冒、滴之忧。由于运行过程无密封置磨擦,无磨损,因此,使用寿命较同类产品延长数倍。
IH系列化工泵

IH系列化工泵

IH型泵是单级单吸(轴向吸入)耐腐蚀离心泵,供输送少含固体颗粒、具有腐蚀性、粘度类似水的液体。