可用于高层建筑、地下建筑的防排烟系统。具有效率高、噪声低、用途广,平时通风接气与火灾时消防排烟一机两用的特点。
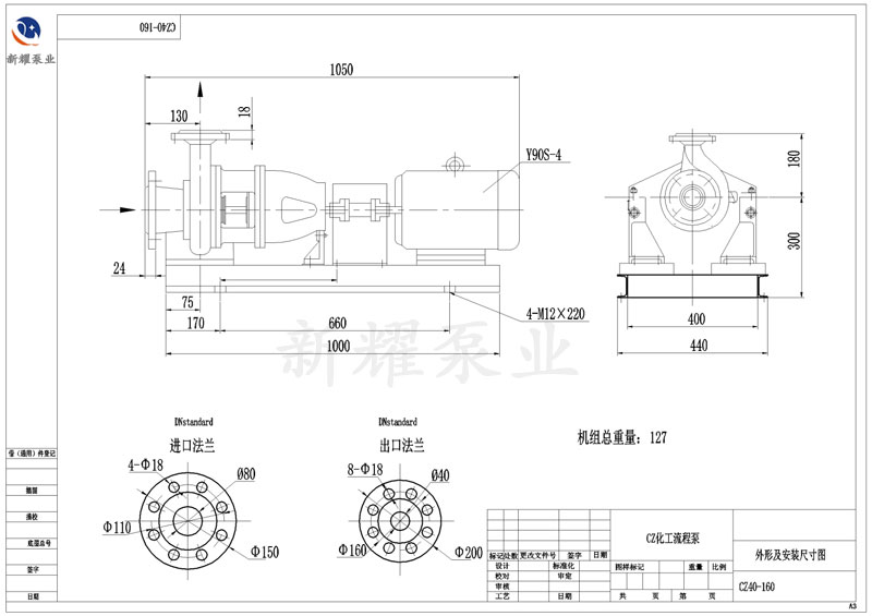
CZ系列标准化工泵是卧式、单级、单吸离心泵;其尺寸和性能符合DIN24256/1S02858标准。
CZ系列标准化工泵的性能范围包括了IH系列标准化工泵所有性能,其效率、汽蚀性能等指标均超过H型泵,可与H型泵进行单机互换。
用途
输送低温或高温液体;中性或有腐蚀性液体;清洁或内含有固体颗粒的液体。特别适用于:
化学和石油化学工业
造纸厂和纸浆业
涂装行业(脱脂、磷化、电泳等工序)
一、CZ型化工泵性能范围
流量: 可达2000m3/h
扬程: 可达160m
工作压力: 2.5MPa
工作温度: -80℃ ~ +300℃
特性曲线平坦,汽蚀值低,效率高,在不满负荷时,也保持这些特性。


安装图


手机
微信客服